My Garage
Cart

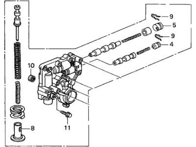
AT Regulator fit your 2001 Acura MDX 5 Door STD KA 5AT

Currently shopping for
2001 Acura MDX
Change Vehicle
Vehicle Options
5 Door STD; KA 5AT
Vehicle Options
5 Door STD; KA 5AT
Diagram (1 of 1): AT Regulator
2001 Acura MDX 5 Door STD KA 5AT AT Regulator Diagram
Enlarge Diagram
Sort by:
Ref No.
Ref No.
Part No. & Part Description
Price & Qty.
Part No. &
Part Description
Genuine Acura Parts, the Right Choice
AcuraPartsWarehouse.com offers the wholesale prices for genuine 2001 Acura MDX parts. Parts like AT Regulator are shipped directly from authorized Acura dealers and backed by the manufacturer's warranty. Parts fit for the following vehicle options. Body & Trim: 5 Door STD. Emission & Transmission: KA 5AT.